400 Double-Ended Shear Beam Load Cell Transducer

IMAGES

Massload’s ML-400 double-end truck scale load cell model ranges from 50,000 lbs SE to 125,000 lbs LE, made with the highest quality materials and fully manufactured and calibrated in-house through our VCAP certified Quality Management System. We also supply a full range of equivalent imported load cells

Highlights

  • High quality Canadian-made load cell transducer manufactured in Canada’s only VCAP (Verified Conformity Assessment Program) certified load cell manufacturing facility
  • Precision double beam load cell transducer for use in legal-for-trade applications
  • NTEP Certified
  • 4340 Alloy Steel or 17-4PH Stainless Steel
  • Used in weighbridge truck scales
  • 4 year warranty
  • Optional imported NTEP approved load cells for use in legal-for-trade applications with 1 year warranty
Capacity
(Pounds)
A
(mm)
B
(mm)
C
(mm)
D
(mm)
E
(mm)
F
(mm)
G
(mm)
H
(mm)
I
(mm)
J
(mm)
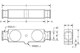
50,000 SE 13 159 210 41 51 13 76 51 13 13
50,000 LE 19 216 292 43 56 13 89 51 21 13
60,000 19 216 292 43 56 13 89 51 21 13
75,000 19 216 292 43 56 13 89 51 21 13
125,000 25 267 368 62 81 21 119 74 25 38

This double ended shear beam load cell is designed for center mounting and double link loading. This makes the load cell ideal for truck scales. This load cell is NTEP certified as legal for trade and is suitable for use in legal-for-trade weighbridge truck scales.

The 400 Double-Ended Shear Beam Load Cell Transducer stands as an exceptional solution tailored explicitly for truck scales.

Its design and functionality make it the ideal choice for weighbridge truck scales, ensuring precise and accurate weight measurements for legal-for-trade applications.

Capacities (pounds)

50,000 lbs to 125,000 lbs capacity load cell

Safe Overload

150% full scale safe overload

Ultimate Overload

300% full scale ultimate overload

Full Scale Output

3.0 mV/V +/- 0.25% FS

Maximum Excitation

10 volts DC

Operating Temp

-40°C to +80°C

Compensated Temp

-10°C to +40°C

Sealing Standard

IP-67 protected against high pressure jets of water

Non Linearity

+/- 0.03% full scale

Material

4140 / 4340 High Strength Alloy Steel
17-4PH Stainless Steel optional

Protective Coating

Electro-less nickel – industrial high phosphorous, corrosion and chip resistant

Bridge Resistance

700 Ohm

Please click on the following links to download or view additional information:

Testimonials